BACKGROUND
To really explore the LF bands, I wanted a remotely-tunable preamplifier that would be able to hear some aero-beacons (for testing purposes), the Lowfers on 160-190 kHz, the European broadcast transmitters (between 150 kHz and 250 kHz) and, needless to say, the coveted new 136 kHz CEPT band. Published designs either did not meet my requirements, looked too complicated for my purpose, or incorporated questionable (magick?) circuitry.
DESIGN
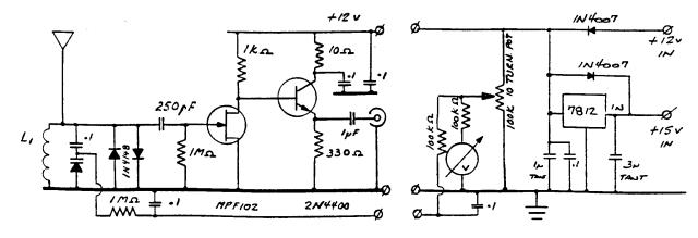
Hence here is my design, straightforward and unconditionally stable. It is composed of two parts, the mast-head unit and the control unit located in the shack. The antenna itself, an E- field probe (as we say these days), consists of a 30-inch length of 1/2" (Inside Diameter) copper pipe, connected to the board holding the few components that make up the preamplifier, as shown on the schematic below. The preamp proper, remotely tunable from 85 kHz through 290 kHz, and the antenna are built inside a 36 inch length of 1¼ I.D. PVC, closed at the top with a PVC cap. The input circuit is remotely tuned by a varactor (varicap) whose capacitance can be adjusted by varying the voltage applied across it by means of a 10-turn wirewound potentiometer located in the control box in my shack. An approximate indication of where the circuit is tuned is given by the reading of the 100 mA meter, connected as a voltmeter across the wiper of the potentiometer. The mast-head unit is connected to the control unit via (a) 50 ft of RG-8U coax, and (b) a separate 3-conductor cable for +12 Volts regulated for Vcc, + 0 to +12volts adjustable to control the varicap, and DC ground. The unit can be powered either by a wall-mounted DC power supply that feeds the 7812 regulator or, to reduce mains-induced noise, or during field-day / portable operation, by a 12 volt gel-cell.
The voltage gain is fairly constant across the band of interest, varying from about 3 at 136 kHz to 3.6 at 250 kHz. (The purpose here is not to provide much voltage gain, but to reject unwanted signals thanks to input selectivity). The power gain, of course, is huge, because of the high [ Zin / Zout ] ratio.
RESULTS
Because my design requirements included the capability to receive the European LF broadcast, the bandwidth of my preamp is purposely fairly wide: ± 4.5 kHz @ -3dB at 200 kHz. To that effect, the input coil L1 has been selected with a Q of 45, a relatively low value. (Should a narrower bandwidth be desired, a higher Q coil should be selected). L1 is a 4.7mH iron-core RF choke, varnish impregnated, TechAmerica part number 900-4935. The varicap is a ECG/NTE 618, exhibiting a capacitance of 440 pF @ 1 volt, and 90 pF @ 8 volts DC.

André Kesteloot N4ICK
Last modified: 5 December, 1999